PC(高圧カットアウト)
特殊箱形高圧カットアウト
製品の主な特徴
カットアウトの本体は絶縁耐力・耐候性ともに優れた高圧磁器で形成されています。このため長期の使用にも信頼度が高く絶縁劣化の恐れがありません。また、充電部防護形であり安全にも配慮した構造になっています。また、フック棒操作により容易に開閉が可能です。
- PC-6(ダブルヒューズ用)はヒューズが溶断した場合、2段目ヒューズに自動的に接合され停電を回避すること可能であり、保守の省力化が図られます。
- PC-6(耐振用)は、通常のカットアウトより開閉保持力が大きく、振動の影響が予想される箇所に適してます。
- PFHは、小電流から大電流まで全領域遮断可能とする限流ヒューズPFU-1(25Aまで)が装着できる唯一のプライマリーカットアウトです。
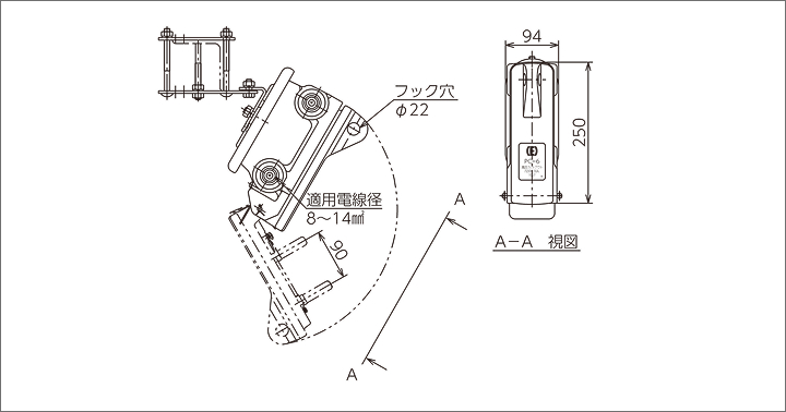
外形図
定格および仕様
| 名称 | ダブルヒューズ用 高圧カットアウト |
耐振用高圧カットアウト (ダブルヒューズ用) |
高圧カットアウト | ||
|---|---|---|---|---|---|
| 形式 | PC-6 | PC-6 | PFH-2 | ||
| 定格電圧[kV] | 7.2 | ||||
| 定格周波数[Hz] | 50 / 60 | ||||
| 定格電流[A] | 30 | ||||
| 定格開閉容量 | 負荷電流[A] | 30 | |||
| コンデンサ電流[A] | 15(5回) | ― | 15(5回) | ||
| 連続開閉性能 | 電気的[回] | 50 | |||
| 機械的[回] | 300 | ||||
| 定格短時間電流(実効値)[kA] | 2 | ― | |||
| 定格遮断電流[kA] | 1(対称値) | 40(実効値) | |||
| 定格耐電圧[kV] | 60 | ||||
| 汚損特性 | 耐軽塩じん用[0.06mg/cm2] | ||||
| 使用場所 | 屋外用 | ||||
| 総質量[kg] | 5 | 7.5 | |||
| リンク適用ヒューズ | 速動形ヒューズ (テンションヒューズ) |
― | ― | ― | |
| 遅動形ヒューズ (タイムラグヒューズ) |
― | ― | ― | ||
| ダブルヒューズ | 3A-3A ~ 15A-15A | 3A-3A ~ 15A-15A | ― | ||
| 複合形ダブルヒューズ | 2.5A-2.5A ~ 9A-9A | 2.5A-2.5A ~ 9A-9A | ― | ||
| 限流ヒューズ | PFU-1 | ― | ― | 7A ~ 25A | |
| 素通し線 | 30A用 | ― | |||
| 取付金具 | 腕金・アングル用フ形 | ||||
ダウンロード
製品カタログ
取扱説明書
図面PDF
-
オプション・関連製品
オプション・関連製品
電設資材製品に関するお問い合わせ
電設資材製品 営業担当
- フリー
ダイヤル 0800-200-0440
- 東日本
営業部 03-3251-2690 FAX:03-3251-2695 - 名古屋
営業グループ 0568-67-9811 FAX:0568-67-9815 - 大阪
営業グループ 06-6534-0031 FAX:06-6534-0033 - 福岡
出張所 092-720-5901 FAX:092-720-5902



