PC(高圧カットアウト)
標準箱型高圧カットアウト
製品の主な特徴
カットアウトの本体は絶縁耐力・耐候性ともに優れた高圧磁器で形成されています。このため長期の使用にも信頼度が高く絶縁劣化の恐れがありません。
また、充電部防護形であり安全にも配慮した構造になっています。また、フック棒操作により簡単に開閉が可能です。
- HPCタイプは屋内専用設計のため、小スペースで設置可能。
- PC-6タイプには、テンションヒューズから限流ヒューズまで幅広くのヒューズが可能でありトランス、コンデンサ保護が可能となります。
- PC-7は、ヒューズ100Aまで装着可能で、大容量のトランス保護に適してます。
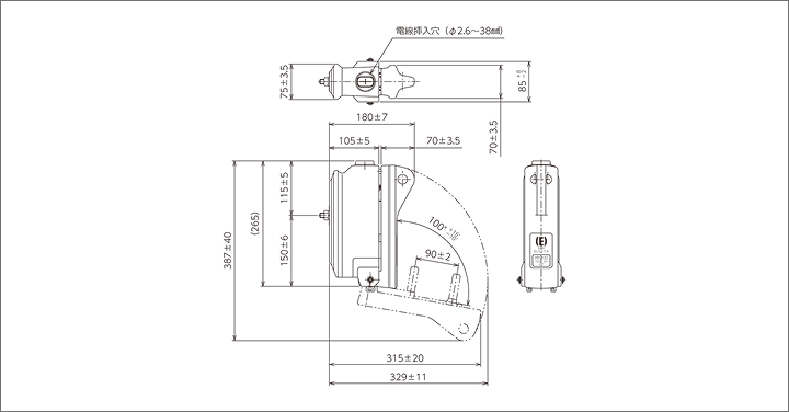
外形図
定格および仕様
| 名称 | 屋内用高圧カットアウト | 一般用高圧カットアウト | |||||
|---|---|---|---|---|---|---|---|
| 形式 | HPC-30 | HPC-50 | PC-6 | PC-7 | |||
| 定格電圧[kV] | 7.2 | ||||||
| 定格周波数[Hz] | 50 / 60 | ||||||
| 定格電流[A] | 30 | 50 | 30 | 50 | 100 | ||
| 定格開閉容量 | 負荷電流[A] | 30 | 50 | 30 | 50 | 100 | |
| コンデンサ電流[A] | 15(5回) | ||||||
| 連続開閉性能 | 電気的[回] | 50 | |||||
| 機械的[回] | 300 | ||||||
| 定格短時間電流(実効値)[kA] | 2 | 3 | 2 | 3 | 5 | ||
| 定格遮断電流[kA] | 1.5 | 3 | |||||
| 定格耐電圧[kV] | 60 | ||||||
| 汚損特性 | ― | 耐軽塩じん用[0.06mg/cm2] | |||||
| 使用場所 | 屋内用 | 屋外用 | |||||
| 総質量[kg] | 3.7 | 5 | 7 | ||||
| リンク適用 ヒューズ |
速動形ヒューズ (テンションヒューズ) |
1A ~ 30A | 1A ~ 50A | 1A ~ 30A | 1A ~ 50A | 5A ~ 100A | |
| 遅動形ヒューズ (タイムラグヒューズ) |
1A ~ 30A | 1A ~ 30A | 1A ~ 30A | ― | |||
| ダブルヒューズ | ― | ― | ― | ― | |||
| 限流ヒューズ | PFU-1 | ― | ― | ― | ― | ||
| QC-1 | 7A ~ 15A | 7A ~ 15A | 7A ~ 15A | ― | |||
| 素通し線 | 30A用 | 30A、50A用 | 30A用 | 30A、50A用 | 100A用 | ||
| 取付金具 | ― | 腕金用 アングル用 パイプ用 |
|||||
ダウンロード
製品カタログ
取扱説明書
図面PDF
-
PC(一般用屋外)
-
HPC(屋内)
-
オプション・関連製品
オプション・関連製品
電設資材製品に関するお問い合わせ
電設資材製品 営業担当
- フリー
ダイヤル 0800-200-0440
- 東日本
営業部 03-3251-2690 FAX:03-3251-2695 - 名古屋
営業グループ 0568-67-9811 FAX:0568-67-9815 - 大阪
営業グループ 06-6534-0031 FAX:06-6534-0033 - 福岡
出張所 092-720-5901 FAX:092-720-5902








